电话:0519-83970059
当前位置:首页 > 产品中心 > 滤波补偿元器件
产品中心
滤波补偿元器件 智能电容 滤波模块 电能质量检查仪
RHTSC系列动态无功补偿投切调节器

RHTSC系列动态无功补偿投切调节器

所属分类: 滤波补偿元器件

产品概述:产品简介RHTSC系列无功补偿投切调节器(以下简称调节器)是一种能对并联电力电容器进行快速投切的电子型功率器件,是目前低压动态无功补偿装置中允许频繁动作的较佳产品。适用于交流频率为50Hz ,额定工作电压至380V的配电系统中,对容性负载(或感性负载)的通、断控制。该调…

了解详情
产品详情

产品简介

  RHTSC系列无功补偿投切调节器(以下简称调节器)是一种能对并联电力电容器进行快速投切的电子型功率器件,是目前低压动态无功补偿装置中允许频繁动作的较佳产品。适用于交流频率为50Hz ,额定工作电压至380V的配电系统中,对容性负载(或感性负载)的通、断控制。该调节器主电路由大功率反并联晶闸管模块、电子触发电路、保护电路及散热装置组成。内置的微处理器能程序控制电容负载的投切,采用过零触发技术,使晶闸管模块在电压过零瞬间导通投入电容,电流为零时切除电容。

型号命名及含义


正常工作条件

  环境温度:-5°C~+40°C , 24h内其平均值不超过+35°C。
  海拔高度:安装地点的海拔不超过2000m。
  相对湿度:在较高温度为+ 40°C时不超过50%,在较低温度时,允许有较大的相对湿度。但对因湿度变化发生在产品上的凝露情况必须采取措施。
  污染等级:3级,空气中不得有过量的尘埃、酸、盐、腐蚀性及爆炸性气体。
  供电电源:交流电压变化范围为输入额定电压的10%;允许相对谐波分量不超过10%,否则必须串联滤波电抗器;电源频率的偏差不超过额测定频率的+2%。

功能特点

  ◆选取高耐压大功率晶闸管模块,允许频繁动作;
  ◆投入电容时无涌流、分断时无火花、无过电压产生,工作运行时无噪声;
  ◆微处理器程序控制,提高了调节器的抗干扰能力,防止晶闸管的误动作;
  ◆采用温控装置,可靠保证晶闸管模块在规定温度范围内工作。当温度超限时,调节器会自动退出运行,有效保护晶闸管模块。
  ◆三相共补型无功补偿投切调节器带有缺相保护和故障辨别及故障信号显示功能。

技术参数


接线原理图


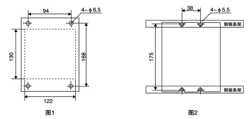
安装尺寸

  安装方式一:调节器底座直接安装至补偿柜的安装版上,安装孔尺寸94x168 (见图1),用四只M6螺钉固定。
  安装方式二:利用调节器塑料框架的四个孔位,安装孔尺寸38x175 (见图2 ),用M5螺钉将调节器安装在补偿柜的钢板条架上。

  因调节器的散热器下有冷却风扇,为便于通风散热,安装时注意给散热器和风扇留有风道,矩形风道尺寸为122x130 (见图示虚线框部分)


下一篇:没有了

相关文章
智能电容和普通电容的区别
12-21 2022

一、智能电容是使用投切开关,无投切涌流。二、智能电容能进行过压、欠压保护;电容器过温、断相、三相不平衡保护,当电容器温度的…

在线反馈

快捷导航
首 页 关于我们 产品中心 解决方案 新闻资讯 联系我们
全国服务热线

0519-83970059

传 真:0519-83977059
邮 箱:czruhao@sohu.com
地 址:常州市钟楼区清潭银河路168号
在线反馈
Copyright 2022 常州市儒昊电气设备有限公司 苏ICP备2022048386号-1 版权声明 技术支持:江苏东网科技
Top